![[Logo]](gif/logo.gif)
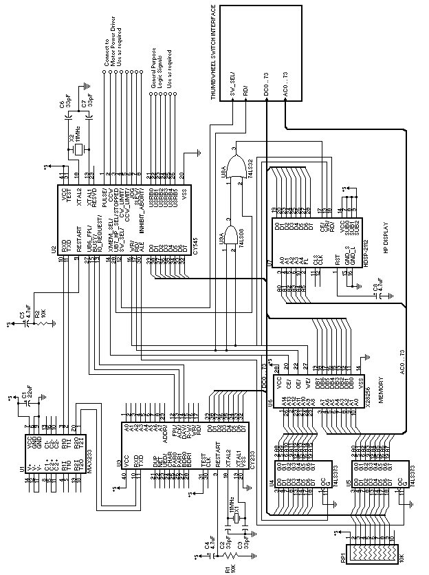
The three following circuit diagrams illustrate the wide choice of possibilities for CY545 applications circuits. In the first, only the serial command interface and the pulse and direction lines are used. This represents a minimal CY545 design. The second example is similar, but uses the parallel input bus to send commands to the CY545, with the pulse and direction lines still sent to a power driver. The third diagram illustrates a full blown system with RS-232 serial input, external memory, display circuits, thumbwheel interface, and I/O lines, and is implemented on the CYB-545 prototyping board.
CY545 Example Circuit Diagram - Minimum Serial Configuration
![[Figure 11.1]](gif/545-25.gif)
CY545 Example Circuit Diagram - Minimum Parallel Configuration
![[Figure 11.2]](gif/545-26.gif)
CY545 Example Circuit Diagram - Maximum Configuration
![[Circuit Diagram]](gif/545-27.gif)
00 Contents ..|..
01 Intro ..|..
02 Pins & Packages ..|..
03 Cmd Interfaces ..|..
04 Commands..|..
05 Motor Cmds
06 Bit Cmds..|..
07 Memory Cmds..|..
08 Prog Branch Cmds..|..
09 Mode Cmds ..|..
10 Misc Cmds
11 Circuits ..|..
12 External Memory ..|..
13 Thumbwheel Switch
..|.. 14 Output
Display ..|..
15 Proto Boards
16 Timing & Control
..|.. 17 Rate
Tables ..|..
18 Electrical Specs ..|..
19 Examples ..|..
20 Up & Running
Back to CY545 Data Sheet
© 1988 - 1999 Cybernetic Micro Systems, Inc.
All rights reserved.
CY545 Manual 22MAR99